2018年01月21日

護衛艦 「きりしま」 の建造経歴書


先ほど本家サイトの今週の更新として、『現代戦講堂』 の 『資料展示室』 コーナーにて 「きりしま」 の 『建造経歴書』 を公開しました。

kirishima_kenzoukeii_h070316_cover_s.JPG


これは 「きりしま」 を建造した三菱重工長崎造船所が、その契約に基づき作成して平成7年3月16日の竣工・引渡し時に納入した膨大な完成図の冒頭にある一つです。


ご存じのとおり 「完成図」 というのは建造図面を含む造船所が係わった総てのものを纏めたものです。 これと各装置・機器の 「取扱説明書」 などを始めとして、当該造船所以外で契約・製造に係わったところのものも総て集めたものが 「完成図書」 です。

そして建造所の 「完成図」 の内、個々の建造図面などは 「完成図書」 として作成・納入される時には縮小された上で製本されるのが通常です。

今回本家サイトでご紹介する 『建造経歴書』 はこの完成図の最初にある、いわば能書きですから、内容的には秘密に係わるものは全くありませんで、ほとんどが既に一般に知られている事項ばかりです。

とは言え、こういう公式なものが公開されることはほとんどありませんので、珍しいものと思います。


この 『建造経歴書』 を含む 「完成図」 を始めとする 「完成図書」 一式は、海上自衛隊創設以来建造されてきた艦船総てについて、同型艦といえども省略されることなく一隻一隻それぞれのものが作成され、当該艦船の就役に合わせて防衛省・海上自衛隊に納入されてきました。

したがって、これまでのものを総て合わせると膨大な数量になります。 現役艦ならともかく、除籍となった艦船についても本来なら保存・保管されていなければならないはずですが、今現在本当にこれら総てがキチンと揃っているのかどうか ・・・・ ?

posted by 桜と錨 at 20:51| Comment(0) | TrackBack(0) | 現代戦のこと

2018年02月27日

米海軍の遠征打撃部隊 (ESF)


『世界の艦船』 4月号の拙稿補足です。

同号の特集『現代の海戦』に掲載していただきました私の 『海戦の変容について 19世紀から今日まで』 で、紙幅の関係で省略せざるを得なかったものの一つが、米海軍の「遠征打撃部隊」(ESF、Expeditionary Strike Force) の考え方のイラストです。

ESF_02.JPG

ESF_01.JPG
( 米海軍の公式資料から )

これは、従来の 「両用即応群」 (ARG、Amphibious Ready Group) を大幅に強化して 「遠征打撃群」(ESG、Expeditionary Strike Group) とし、これ単独でも、そして 「空母戦闘群」 (CVBG) の名称を改めた 「空母打撃群」 (CSG、Carrier Strike Group) と組み合わせた強力な遠征部隊としても、状況に合わせて柔軟に対応できるようにしたことを表すものです。

文章でご説明するよりこのイラストをご覧いただけば一目瞭然かと。

そしてこの ESF の運用法に切り替わった当時の ESG の標準的な戦力見積もりは次のとおりとされています。

ESF_03.JPG
( 米海軍の公式資料から )

米海軍と海兵隊とは一つの Naval Forces あるいは単に Navy と呼ばれるものであるのは何故なのか、ということの本質の一旦である米海兵隊のモットーの一つ “Marine is Navy in sense” を端的に表していると言えるでしょう。


翻って、日本ではどうなのか。 間もなく陸上自衛隊に水陸機動団が編成されるようですが、単に陸兵に水陸両用車を与えて米海兵隊と一緒に訓練し、これを海自の輸送艦などで運べば海兵隊として運用できる、などと簡単に考えることは大きな誤りであることは理解していただかなければなりません。

あるいは大きな船体の 「いずも」 型護衛艦に F-35B を乗せるようにすれば空母代わりになる、なども同じことです。

そもそも “基本設計の段階で考慮されていた” などは本当でしょうか? 俄には信じられない話しです。

確かに 「いずも」 型は船体は大きくスペースだけは余裕がありますが、現状はヘリ空母としても強襲揚陸艦としても極めて中途半端な性能のものです。 災害派遣などの多目的用途の艦といえば聞こえは良いですが。

まさかこの現状での必要以上に大きなスペースのことを指しているわけではないですよね?

しかも、実際に格納庫を含めた艦内を見た限りでは、将来的な F-35B の搭載・運用に対する考慮は全く感じられませんでしたし、ましてや後からの改造・改修は莫大な費用がかかることを忘れてはならないでしょう。

「おおすみ」 型の二の舞、というか、とてつもないことになりそうですが ・・・・

( 当時 「おおすみ」 の基本設計審議の場であれほどしつこく声を大にして言ったにもかかわらず、防衛も技術も全く聞く耳を持ちませんでしたから )

posted by 桜と錨 at 18:52| Comment(0) | TrackBack(0) | 現代戦のこと

2018年06月27日

SO-2 と SO-3 レーダー


コメント欄で懐かしいものの話しが出ました。

海上警備隊創設時から海自の初期まで使われた SO-2 と SO-3 というレーダーです。

当時のものとしては PF にも搭載されていた対空用の LA と水上用の LS、あるいは DE 以上に装備された SG シリーズなどの方がご存じの方が多いと思いますが、それらよりも数的には多かったこの2つのレーダーについてはあまり知られていないのではないかと思います。

SO-2 は、海上警備隊では米海軍から貸与された50隻の警備船 LSSL に装備された中出力の水上用レーダーで、米海軍では哨戒艇、上陸用舟艇、及び補助艦艇など数多く装備されました。

このレーダー、ビーム幅が水平9度、垂直23度あり、このため高角23度までの対空用としても使えました。

尖頭出力 60KW、周波数 3,000MHz、波長 10cmで、アンテナ回転数は 10.5rpmというものでした。 (その他の詳細データはまた何かの機会があれば。)

SO-2_draw_01_s.JPG

SO-2_draw_02_s.JPG

また SO-3 は、掃海船(当時)に装備されていましたが、米海軍では魚雷艇や哨戒艇、上陸用舟艇、その他の小艦艇など、これも極めて多数が装備されました。

尖頭出力 20KW、周波数 9,100MHz、波長 3cmで、ビーム幅は水平3度、垂直9度で、アンテナ回転数は9rpmです。 (同じくその他の詳細データはまた機会があれば。)

SO-3_draw_01_s.JPG

SO-3_draw_02_s.JPG


両者とも小型ながら実用性に優れ、まさに米国の工業力、技術力の成果と言えるものです。

海上警備隊では、全てについてまずは米海軍に学ぶという方針の下、これらのレーダーでも当初は英語のマニュアルを使っていましたが、日本人本来の気質なのか、どん欲までに米海軍からの知識を吸収し、すぐに新しく日本語のテキストを編纂するまでになりました。

私が所持するものは、昔これらの日本版からライフワーク資料として将来的に必要になると考えた部分をコピーしておいたものですが、この頃には既に元の米海軍のマニュアルはありませんでした。

そして現在となってはこれらの日本語版テキストも残されているのかどうか ・・・・ ?

posted by 桜と錨 at 13:58| Comment(0) | TrackBack(0) | 現代戦のこと

2018年06月29日

SO-2 と SO-3 (続)


前述のとおり、SO-2 と SO-3 は小型・軽量でかつ大変に実用性に富んでいたことから数多くの小型艦艇に搭載されました。

もちろん両者は全く別個のレーダーですので、アンテナをはじめ、送受信機も電源も全て異なることはもちろんです。

が実は、レーダーの管制機と指示機は共通なのです。

SO2&3_Cont&Indicator_photo_01_m.jpg

SO2_3_Cont_Indicator_illust_01_m.jpg

このことは、製造上はもとより、これを使う艦艇乗員の整備及び操作、そしてそれらの教育訓練上、極めて有効であることは申し上げるまでもありません。

これを共通化できるところにも米国の工業力及び技術力の高さ、底力がある、と言えるでしょう。

しかも、この SO シリーズや SG シリーズのレーダーなどは、大戦中に既に開発、製造、装備が行われていたのです。

これだけでも、当時の日本の国力ではとても太刀打ちできるところではありません。 戦後、海上警備隊が出来てこれらのレーダーが貸与艦艇と共に入ってきた時、旧海軍出身者達がびっくりしたのも無理はないことでしょう。

posted by 桜と錨 at 13:06| Comment(0) | TrackBack(0) | 現代戦のこと

2018年09月11日

『J-ships』 10月号


イカロス出版から隔月で発刊されている 『J-ships』 10月号が発売となりました。 今月の特集は 「護衛艦進化論」 です。

Ikaros_Jships_h3010_cover_01_s.jpg

この中で私もミサイル護衛艦 (DDG) の項を担当させていただきました。 題して

『 ミサイル護衛艦 DDG の進化 』

海自の護衛艦の発達、特に 「たちかぜ」 型以降を語る場合には搭載する艦艇戦闘指揮システム (CDS) は外せないものの一つです。

そこで今回の私の記事もこの CDS の流れをメインに据えさせていただきましたが、何しろこれ、秘密程度が高く、古いものでもいまだにほとんどその中身については公表されておりません。

従いまして、DDG についてもそのサワリのところをちょっとだけ、ということで (^_^;

本当ならばもう少し掘り下げた詳しいものにしたいところですが、本誌そのものがビジュアル面を重視しておりますので、これについてはまた別の機会があればということにさせていただきました。

また CDS の流れについては、CIC のレイアウトを示しながらお話しするとよくお判りいただけるのでしょうが、取り敢えずということで既に退役して久しい 「たちかぜ」 型のものを一応用意したのですが ・・・・ これも紙面の関係で省かせていただきましたので、改めてここでご紹介を。

46-48DDG_CIC_Layout_01_m.jpg
( かつての 「たちかぜ」 型の CIC レイアウト )

そして艦型としては 「たちかぜ」 型の3番艦である 「さわかぜ」 ですが、1・2番艦とは CDS が大きく異なり次の 「はたかぜ」 型とほぼ同じものでこれはまだ現役艦ですし、またイージス艦などはとても元関係者の一人としては ・・・・ (^_^;


ただこの場でも強調しておきたいのは、海自が初めて CDS と言えるものを導入した 「たちかぜ」 型2隻の WES (後に OYQ-1 及び OYQ-2 と呼称) というシステムですが、出版物などの一部ではこれが米海軍のミサイル駆逐艦である 「C.F.アダムス」 級の近代化用に NTDS の簡易版として開発した JPTDS というものを参考にしたとされているものがあります。

本記事内でも書きましたように、実はこれは逆で、米海軍が海自用の WES の開発経験を参考にしたのが JPTDS なんです。

このことは WES が使用した米海軍の軍用コンピューターは当時米海軍でも広く使われていた CP-642B であるのに対して、JPTDS はその次の新しい UYK-7 となっていることでも明らかでしょう。

米海軍がいかに海自用とはいえ、そのソフトウェア開発にわざわざ古いシステムを持ち出すような面倒なことはしませんので。

ちょっとサイズが小さくて申し訳ありませんが、JPTDS のシステム・ブロックダイアグラムの公式図です。 私が根拠なく申し上げている訳ではないという一つの証拠 (まだ他にもあるのですが) ということで (^_^;

DDG-2_JPTDS_a_s.jpg

DDG-2_JPTDS_b_s.jpg


そしてもう一つ、私の記事中に挿入されている写真とその解説文については基本的に編集部さんにお任せしております。

記事の内容を補足していただけるような写真と解説を入れていただきましたが、ただ一つ、5インチ砲の Mk45 Mod4 については、これの導入について現場の用兵者としては異論がある (あった) という内容に変えていただきました (^_^)


本号の特集、他にも面白い記事が色々並んでおりますので、もし書店の店頭で見かけられましたら、是非手にとってご覧下さい。

posted by 桜と錨 at 18:41| Comment(0) | TrackBack(0) | 現代戦のこと

2018年10月07日

旧ソ連の軍事用語 『連続作戦』


少し前になりますが、某所で旧ソ連軍の用語の一つである 『連続作戦』 についてそのロシア語表記の質問が出ていましたが、結局回答が出ないままになっているようですので、ここでご参考までに。

term_russo_Consec_ope_01_s.JPG


旧ソ連軍における教範類の一つとして 『将校双書』 というのが全17巻で出されており、その中の1冊に用語集があります。

これらは米軍でも英語に翻訳されており、そして更にその英語版の一部については資料集として航空自衛隊で邦訳されております。

ただし、航空関係以外の用語では流石に空自さんだけあって私達からするとちょっとピント外れなものも多いのですが ・・・・ (^_^;

posted by 桜と錨 at 18:55| Comment(0) | TrackBack(0) | 現代戦のこと

2019年01月06日

米国防省編 『ミサイル関連用語集』


本家サイトのご来訪60万名達成記念感謝企画の第1弾として、同サイトの 『現代戦講堂』 中の 『資料展示室』 コーナーにて 1949年の米国防省編 『ミサイル関連用語集』 をPDF版にて公開しました。

Glossary_of_GM_Terms_USDoD_1945_cover_s.jpg

http://navgunschl2.sakura.ne.jp/Modern_Warfare/Shiryo/06_Glossary_of_GM_Terms.html

これは当時ミサイル関係の研究・開発が進んできたことに伴い米軍内での用語の統一を図るために国防省が誘導弾委員会を設置して纏めたものです。

発刊としては少々古いですが、内容的にはミサイルそのものは勿論、関係するレーダーや電子機器などを網羅したもので、現在でも通用する基本的、基礎的な用語集ですし、もちろんこれはこの分野での根拠として使えるものであることは言うまでもありません。

現在では多くのものが他の教範類や出版物などでの用語集の中に含まれていますが、この関係で一つに纏まったものは良いものがありません。

この文書は、現在のネット上でも私が調べた限りでは1個所しか出てきませんで、それも1つのファイルにはなっていないようです。

これもあって、元々の原本の印刷が悪く、かつかなり前にそれをコピーしたものを今回ディジタル化しましたので多少見難いところがありますが、この分野に興味のある方々はお手元に置いておかれるとちょっとした時に便利ではと思います。


なお、もう一つ現代戦関係を準備中だったのですが、ゴミ取りと整形に思わぬ手間暇が掛かり間に合いませんでした。 これは用意ができ次第公開したいと思います。

また、第2弾としては戦前・戦中のものを考えています。


posted by 桜と錨 at 23:20| Comment(0) | TrackBack(0) | 現代戦のこと

2019年01月13日

『ソ連軍事基本用語集』 公開


本家サイトの先週の更新でご来訪60万名達成記念感謝企画の第1弾を公開したところですが、2つのはずが1つしか間に合いませんでしたので、もう1つの 『ソ連軍事基本用語集』 を今週の更新としてUPいたしました。

07_Soviet_Basic_Mil_Terms_J_cever_s.jpg

  http://navgunschl2.sakura.ne.jp/Modern_Warfare/Shiryo/tenji_main.html
  http://navgunschl2.sakura.ne.jp/Modern_Warfare/Shiryo/07_Soviet_Basic_Mil_Terms.html

以前、「連続作戦」 という用語の露語表記についてご紹介しましたが、その元資料になるものです。

  http://navgunschl.sblo.jp/article/184623323.html

これは旧ソ連軍が将校用として作成したものを1972年に米空軍がスポンサーとなって英訳した 『軍事基本用語辞典』 から航空自衛隊が抜粋邦訳 したものです。

欧米の軍事用語集というのは現在ではネットでも多数見られますが、ソ連/現ロシアのものはなかなかありません。

従いまして、少々古いものではありますが、基本的な用語としては今でも通じるものがありますので、ソ連/ロシアのこの方面に関心がある方々にはお役に立つのではと考えております。

ただし、元々の露語版及びその英訳版では 約1600語 が集録されていたのですが、この 抜粋邦訳版ではそのうちの 約500語だけ ですので、ソ連/ロシアの軍事専門用語集としては不十分です。

元の英訳版はそれ程難しい文章ではありませんので、これの方も一緒に公開する予定だったのですが ・・・・ 何せ元々の印刷が悪い上に、それを昔コピーしておいたものをディジタル化したものですので、ゴミ取りと整形に思っていた以上に手間暇がかかっています。

07_Soviet_Basic_Mil_Terms_E_cever_s.jpg

このため、英訳版の方は残念ながら更に後日公開と言うことにさせていただきますことをご了承ください m(_ _)m

なお、空自の抜粋邦訳版については、現今のネット事情から一人歩き防止のために印刷・加工が出来ないようにプロテクトをかけ、かつ上下にロゴを入れております。

もし印刷可能版が必要な方がおられましたらお申し出くだされば考慮いたします。 また空自に原本をお尋ねいただくのも1つの方法ですが、今日となっては当の空自に残っているかどうか・・・・

また、英訳版はネットにもありますので必要な方は探してみてください。 ただし本家サイトで準備中のものよりは格段に状態が良くありませんが (^_^;

posted by 桜と錨 at 15:27| Comment(0) | TrackBack(0) | 現代戦のこと

2019年01月23日

SAR と ISAR


Facebook の方で今回の P−1 に対する韓国駆逐艦 「クァンゲト・デワン」 によるFCレーダー照射事件に関連して、一連の記事を8回にわたって連載いたしました。

その中でちょっと触れたのが ISAR についてですが、そう言えばここでも、そして本家サイトの方でも確かまだご説明したことが無かったと ・・・・ ?

折角の機会ですので、ここでも少しご紹介しておきます。


レーダーの発達により、偵察衛星などで用いられてきたものに SAR (Synthetic Aperture Radar、合成開口レーダー) があります。

これは衛星の早い飛翔速度を利用し、その経路を巨大な仮想のレーダー・アンテナに見立てて、それによるレーダー映像を合成することによって地表の起伏などの詳細が判るようにするものです。

SAR_1990s_02_s.JPG

ちょっと古い画像ですが、20年以上前の段階でここまで出来るようになっていました。

SAR_1990s_01_s.JPG

この SAR の原理を応用したものが ISAR (Inverse Synthetic Aperture Radar、逆合成開口レーダー) です。

原理についての詳細は省略しますが、両者の違いを簡単に示したものが次の図です。

ISAR_1990s_02_s.JPG

このように、ISAR は航空機のように衛星よりは遙かに飛翔速度が遅いものに用いられます。

このISAR 機能は30年以上も前に既に米海軍のP−3などのレーダーに装備されていた古い技術ですが、その後海上自衛隊でも P−3 や HS に装備され、今では一般的な機能となっています。

もしろん今回の事件の P−1 に装備する HPS-106 レーダーにもこの機能があることは申し上げるまでもありません。

これもちょっと古い画像でご紹介しますが (流石に最新のものは ・・・・ (^_^; )、もう20年以上前に既にここまで出来るようになっていました。

ISAR_1990s_01_s.JPG

これをご覧いただいてお判りのように、ISAR 機能を使うとレーダーの映像で水上艦船の大凡の形が得られます。

そして艦船の長さに対するマストや艦橋などの構造物の位置の比率を図ることによって、具体的な艦型を識別することができます。

データー・ベースを整えれば、それとの比較によって簡単にこれができるようになるものであることはご理解いただけるかと。


ただ一つ、この ISAR 機能が有効に働くには一つ重要な条件が必須になりますが、それは何かお判りでしょうか?


そうです、SAR は地表に固定された動かないものであることが前提ですが、ISAR の場合は逆に海面の動揺によって艦船が揺れ動く必要がある のです。

したがって、ISAR は水上目標に対しては極めて有効ですが、地表にあるものに対しては不向きなんです。

posted by 桜と錨 at 22:41| Comment(0) | TrackBack(0) | 現代戦のこと

2019年02月09日

1980年代の米海軍 PDMS の現状


今回の海自 P-1 に対する韓国駆逐艦 「クァンゲト・デワン」 によるFCレーダー照射事案について、防衛省からの公表内容やマスコミでの報道において全くと言って良いくらい出てこなかったのが当該駆逐艦が装備する NSSMS (NATO Sea Sparrow Missile System) とその指揮管制装置である STIR-180 についてでしょう。

NSSMS や STIR-180 がどの様なものであったのかが判らないと、今回の事案が P-1 にとってどれほど危険なものであったか、その実態が一般の人々にはなかなか理解できないのではないかと思います。

で、今回の事案に関連するこれらについてはまた別の機会 (と言うより先ずは一つ雑誌記事にしてもらうことになりましたが) とすることとしまして ・・・・


もう40年近くも前になりますが、標題の件について私的な文書を纏めて周りにいる若い海自幹部で興味がある人達を集めて話しをしたことがあります。

USN_PDMS_1980s_cover_s.JPG

もちろん、この文書を纏めることも、そして当該事項についても、当時の私の職務の範囲ではなく、また職務上知り得たものでもありませんで、全く私が個人的に勉強をしたものからです。

当然その内容は当時の職場は勿論、海上自衛隊そのものにも無いものでした。

今これを読み返してみると、少なくとも私が定年退職した時点においでさえ、海上自衛隊における PDMS や ASMD (Anti-Ship Missile Defence)に対する “考え方” は、この40年前の米海軍にはとても敵うものではなかったと思っています。

それ程米海軍はこの問題について徹底して研究・開発を行い、そしてその成果を着々と艦隊に反映して来たといえます。

残念ながら、私がこの話しを若い人達にした時も、彼等は目の前の業務に精一杯で、海上自衛隊の立ち後れの現状を真に理解し得たという人はあまりいなかったように思いました。

“米海軍は米海軍、海自は海自、それで何か問題が” という感覚・認識であったようです。

これは特に彼等若い幹部の上司達に顕著でしたので、その影響も強かったものと思います。


さて、私が定年退職してからもう10数年、ハード・ウェアについては新しいものが導入されてきたようですが、基本的な “考え方” についてはそれから少しは進んで来たのでしょうか ・・・・ ?

当該文書に含まれる内容については、米海軍では既に全て秘密指定が解除されておりますので、そろそろこれをベースにしたものを、ここか本家サイトでお話ししてもいいのではないかとも思ってるところです。

posted by 桜と錨 at 22:04| Comment(0) | TrackBack(0) | 現代戦のこと

2019年02月11日

USS Blue Ridge 艦令48年!


横須賀を母港とし、第7艦隊の旗艦を努める揚陸指揮艦 「ブルー・リッジ」 が冬の小樽に寄港したと報じられていました。

https://www.c7f.navy.mil/Media/News/Display/Article/1750788/seventh-fleet-command-ship-uss-blue-ridge-visits-otaru-japan/

考えてみればこの艦、すでに艦令48年を超えていますが、まだまだ元気です。 もちろん常に改修・改造を受けて機器・システムは最新のものを装備する世界最強の指揮・通信能力を保持しています。

そして船体・機関も定評のある横須賀のSRFで整備を受けていますので、まだ当分は現役に留まるのかな、と。

また、司令長官や参謀長、艦長などの居室・公室などは超一流の豪華ホテルも顔負けの広い立派な設備であり、かつドアの外では24時間海兵隊の衛兵が実弾を込めた銃を持って立哨しています。


ところで、ご存じの方もおられるかと思いますが、1967年の 「エイラート」 事件の時、この 「ブルー・リッジ」 は初期の個艦防御システムである BPDMS (Basic Point Defence Missile System) を装備しており、当該事件を受けて IPDMS (Improved PDMS、NSSMS)の開発・装備が始まるまでの間、当面出来る限りの改修が行われ、NTDS プログラムを始めとする ASMD (対艦ミサイル防御) の能力UPが図られました。

その1974年現在での 「Blue Ridge」 の BPDMS の装備状況を示すのが次の図です。


USS_Blueridge_BPDMS_1974_01_s.jpg

(左クリックで拡大表示します)

このシステムの構成、機能、性能と、その米海軍自身の手になる能力評価については、機会があればまた別に詳しくお話しすることとします。


海上自衛隊は当時この状況はもちろん次の NSSMS の情報を入手してこれらを比較検討し、PDMS における ASMD のあるべき姿を追求するべきでしたが、残念ながら全く関心がなく、このため 「はつゆき」 型などは就役時点で既に ASMD の “考え方” において米海軍に大きく水を開けられていました。


posted by 桜と錨 at 22:44| Comment(0) | TrackBack(0) | 現代戦のこと

2019年02月26日

ASMD : 米海軍と海自の違い


先に米海軍のブルー・リッジに関連して、

「はつゆき」 型などは就役時点で ASMD の “考え方” において既に米海軍に大きく水を開けられてしまっていました。

と書きましたが、実はこれ “水を開けられた” というよりは、正しくは米海軍は ASMD について全海軍を挙げて対策を考えてきたのに対して、海自はただひたすら予算獲得のための理屈を考える ことに集中し、実際の脅威評価に基づく戦闘様相の検討を行ってその結果を艦艇建造に反映させてきたのではない、と言うことなのです。

則ち、米海軍では1967年の 「エイラート」 事件を契機にして、 ASMD について既存装備の改善と新装備の開発を図るのみではなく、戦術はもちろんのこと、艦内編成・態勢、教育訓練と人事管理、艦隊での演習、などなど、ありとあらゆる全てのことについて海軍の全力を挙げて研究・開発・改善を行い、そしてその成果を艦隊に次々と反映してきました。

その中で装備面での研究の中心となったのが、カルフォルニア州チャイナ・レークにあった 「海軍武器センター」 (NWC、Naval Weapons Center) です。

NWC_ChinaLake_sat_h30_01_s.jpg

NWC はカルフォルニア州コロナにあった NOL (Naval Ordnance Labolatory) とカルフォルニア州チャイナ・レークにあった NOTC (Naval Ordnance Test Center) とが米海軍の組織改編により1976年に統合されたものです。

( なお、NWC は1992年に更なる組織改編・統合により閉鎖され、その機能は NAVSEA (Naval Sea Systems Command) 隷下の NSWC (Naval Surface Warfare Center) へと引き継がれ、当該地には新たに NAVAIR (Naval Air Systems Command) 隷下の NAWC (Naval Air Weapons Station) が置かれています。)

この統合前の2つの組織及びその後の NWC において、想定されるありとあらゆる対艦ミサイルの脅威とそれによる戦闘様相に対して、どの様な武器・システムならばどの程度まで対処可能なのか、現在及び近い将来の技術においてどこまで実現でき、どの程度までの対処で艦隊としての許容範囲なのかのシュミレーションを最新の情報に基づいて何度も行い、その都度研究結果に基づく提言を行ってきました。

NWC_ASMD_Updata_1974_cover_s.JPG

例えば CVBG (Aircraft-Carrier Battle Group、空母機動部隊、現在の CSG (Carrier Strike Group) に対して、敵の空・水・潜兵力による対艦ミサイル 32〜96発が60〜360度の範囲から1分〜4分/発の間隔で発射されて来襲する時に、我はどのような武器・システムでどのような態勢にあるならば、どのレベルまでの対処が可能であるか、などなどです。 もちろんこれには敵の電子妨害を伴う場合と伴わない場合とが含まれます。

そしてその結果が反映された初期のものが、BPDMS に代わる新しい NSSMS と NTDS とを連接した ASMD システムであり、そのコンピューターのオペレーション・プログラムなのです。

このシステムを装備した艦の代表例の一つが、ご存じ後の1998年に横須賀配備となる空母 「キティ・ホーク」 (CV-63 Kitty Hawk) で、1976〜77年の定期修理 (COH、Complex Overhaul) の際に元来のテリア・ミサイル・システム2基を撤去して、替わりに NSSMS (方位盤x2、8連装発射機x1) を2基 (計画3基) 装備し、これを NTDS と連接したシステムとなりました。

CV-63_NTDS_ASMD_Prog_cover_s.JPG

この時の NTDS の ASMD プログラムは、カルフォルニア州サン・ディエゴにある FCDSSA,Pac(Fleet Combat Direction System Support Activity, Pacific、艦隊戦闘指揮システム支援施設) で作られたもので、当時としては大変に優れた考え方に基づく素晴らしいアルゴリズムのものでした。

FCDSSA_PAC_sat_h31_01_s.jpg

そして米海軍は NWC での研究結果に基づき、 NSSMS による ASMD の次のステップとして、三次元レーダーの AN/SPS-48A をディジタル化しかつ目標の自動探知・自動追尾化した -48C への換装、更に TAS (Target Aquisition System) Mk-23 を加えたシステムへと進んだのです。

もちろんこの NWC の研究の中には、開発中であったイージス艦を加えた場合の艦隊防空のシミュレーションなども含まれており、この成果がイージス・システムのオペレーション・プログラムに反映されてきております。


その一方で海自はどうだったのか?

4個護衛隊群の8艦8機体制 (88艦隊構想) は打ち出したものの、そのワーク・ホースたるDDについては、まずは隻数を揃えるための予算獲得が最優先課題であり、そのためには実際のことはさておき、物事を紙の上でしか判らない事務方である内局の担当役人を納得させるための理屈のこじつけ書類が必要だったのです。

これが 「はつゆき」 型となった訳ですが、当然ながらこの予算獲得のための理屈付けには米海軍のような実戦における脅威評価や戦闘様相に即した ASMD システムの研究・検討がなされた訳ではありません。

「はつゆき」 型の建造に当たって作成された後付けの 『昭和52年度護衛艦 (52DD) の運用要求について』 に盛り込まれた ASMD 能力は、既に決まった艦型、システムならここまでできる、という説明に過ぎず、本来の “DDにはこういう ASMD 能力が必要” というものではありませんでした。

例えば、既に当時多額の開発費を注ぎ込んできた短SAM用射撃指揮装置 FCS-2-12 と砲用の FCS-2-21 を今更止めて、短SAM誘導用の CWI を組み込んだ方位盤 (最近になって FCS-2-31 として実現したような) を2基として短SAMによる2目標同時対処を可能とするなどはとても言い出せないどころか、検討さえされませんでした。

ましてや捜索用レーダーに自動探知・自動追尾機能を付加する RVP (Radar Video Processor、米海軍は当時既に実用化済み) や上述の TAS Mk23 を装備するなどによりどれだけの能力向上が図れるかなどの検討が行われた訳ではありません。

これらは初めから予算獲得のための理由には挙げられなかったのです。

したがって、国産初のシステム艦といわれる 「はつゆき」 型ですが、そのシステムである OYQ-5 などはとても米海軍で言う NTDS (Naval Tactical Data System、艦艇戦術情報システム) やその発展である CDS (Combat Direction System、艦艇戦闘指揮システム) の足下にも及ばない、単にアナログの武器管制装置 (WCS、Weapon Control System) をディジタル化した一種 であったに過ぎませんでした。

システムのコンピューターは米海軍ではサブ・システム (各武器・機器) 用にしか使われない小型の AN/UYK-20 がたった1台、しかもそのメモリーは僅かに64Kの最小限のタイプ。

加えてシステムのコンソール (操作卓) は NTDS 汎用の OJ-194 が全部でたったの4台 (当初案では僅か3台) であるに過ぎず、しかも捜索用レーダーによる目標の探知・追尾データは相変わらずコンソール上での手動入力、米海軍の NTDS では常識の Link-11 機能など初めから除外、というものだったのです。

当然、当時私達はこんな装備やシステムでは役に立たないと猛反対で、少し手を入れただけでももっとマシな性能・能力になるのだから、DDの計画を見直す必要があると声を大にしたのですが ・・・・ 既にお役所たる防衛庁 (当時)、そしてその下請けである海幕の施策として決まって (内局に説明してしまって) おり、残念ながら如何ともしがたいものでした。

これを要するに、「はつゆき」 型DDが建造された当時において、ASMD については米海軍に遅れをとったと言うより、初めから比較対象となる土俵にさえ上がっていなかった のです。

posted by 桜と錨 at 23:43| Comment(0) | TrackBack(0) | 現代戦のこと

2019年03月04日

戦線は音威子府付近で膠着し


継戦能力や陸自の自前輸送艦のことが話題に出てきまして、昔のことを思い出しました。

もう30年ほど前のまだ冷戦期のこと。 米軍の情報部門が作成した 「もし現在の世界的な軍事情勢の中で、ソ連が日本に対して武力攻撃を行うとしたら」 という想定シナリオ集がありました。

( 今となってはもうこんなものがあったことを覚えている人はいないでしょうし、冷戦期の資料そのものも残されているかどうか ・・・・ ? )

約10本くらいの色々なシナリオが収録されていましたが、その中には当然ながら日本本土に対する陸上兵力による本格的な武力侵攻を想定したものも含まれていました。

当時の日米共同・協同演習や海上自衛隊演習などでお馴染みの

「・・・・ 戦線は音威子府付近で膠着し ・・・・」 という演習想定は、まさにこのシナリオに基づいたものです。

しかしながらこの本土侵攻のシナリオは、蓋然性が高い順に並んでいるこのシナリオ集の確か一番最後か、巻末の付録に収録されていたと記憶しています。

で、これを疑問に思っていた私は、ある時米軍の情報部門担当者の一人に聞いてみたんです。

なぜ、日本本土侵攻のシナリオが最後の付け足しみたいになっているの? これが極東では一番重要なのでは?

すると、若い女性の中尉さんが、半分呆れたような表情を隠さず、笑顔で答えてくれました。

えっ、知らなかったんですか?

このシナリオは元々は無いものだったのですが、日米共同訓練などで使うためにわざわざ作って入れたんですよ。

これがないと、演習で日本の陸上自衛隊さんの出番がないでしょ?

日本侵攻のためにはソ連は海を渡ってこなければならないでしょ? そこまでの労力とリスクをソ連が冒すと思います? 東京を占領できるわけでもないのに?

私達はその様な事態が生起するとは全く判断していませんよ。

ということでした。

そう、当たり前と言えば当たり前のことですが、日本本土侵攻のためには “海を渡って来なければならない” んです。

先頭の正面兵力にしても後続兵力にしても、そして継戦能力維持のための後方支援、何よりも補給のために。

やっぱりねえ (^_^)


皆さんは 「1990年危機説」 というのをご存じでしょうか?

1985年を過ぎた頃から、ソ連の経済・産業の状態は既に全くの不振に陥り、これ以上の軍拡にはとても堪えられない (特に米国が打ち出した 「スターワーズ計画」 には対抗できない) ことがハッキリし、いずれはソ連そのものが崩壊するであろう事も視野の中に入ってきました。

こういう状況にあって、もし1990年までにソ連軍が最後の一か八かの全面通常戦争に打って出たならば、米軍・ NATO を初めとするは西側は、欧州方面でも、太平洋方面でも勝てないかもしれない、と考えられていました。 これは米軍自身がそう思っていたのです。

そしてその1990年を乗り切れば、西側は決して負けることはないと。

実際のところ、私が知る限りでは1986〜1988年頃は米海軍の現場のスタッフ達もピリピリしていましたね。


その時のソ連軍をもってしてでさえ、米軍の情報部門はソ連の日本直接侵攻はあり得ないと判断していたのです。

私はこの時の美人 (お世辞抜きに) 中尉さんの話を聞いて以来、日本のあるべき防衛力についてのそれまでの自分の考えに確信を持つに到りました。

日本本土防衛のための抑止力としてなら、陸上自衛隊は兵力は半分 (当時の) で良い、装甲部隊、特に戦車などはごく少数でよい。

その予算と人員を海上阻止兵力たる海上自衛隊と本土防空隊である航空自衛隊の強化に回すべきである。

と。 これは今でも全く変わりませんし、変える必要があるとも感じていません。

それはそうでしょう。 離島防衛の話しにしろ何にしろ、相手は “海を渡って来なければならない” んですから。


そしてそれを逆に考えるならば、海兵隊、そして両用戦というものを全く判っていない “海兵隊もどき” の 「水陸機動団」 や、ましてや陸さんが自前の輸送艦を持つなど (^_^)

日本は島国であるにもかかわらず、多くの日本人に “海” というものを何も理解していない人達がいるということがよく判ります。


それにしても、陸上自衛隊さんというのは、帝国陸軍の昔から相変わらず “策士” が多いですなあ (^_^)
posted by 桜と錨 at 15:47| Comment(4) | TrackBack(0) | 現代戦のこと

2019年03月19日

「朝雲新聞」 2018年縮刷版


朝雲新聞社さんより同社の 「朝雲新聞」 の2018年縮刷版が届きました。

Asagumo_2018_All_cover_m.jpg

本ブログでもご紹介しているとおり、私は同紙の 「世界の新兵器」 コーナーで艦艇編を年間4回書かせていただいているだけですが、今年もまたこうして縮刷版までいただきました。

これ、縮刷版ですのでちょっと文字が小さいのですが、それこそやはり専門紙、その年の防衛省・3自衛隊について出来事や人事など何かの時に確認をするのに大変重宝します。

朝雲新聞社さん、ありがとうございます。

posted by 桜と錨 at 14:51| Comment(0) | TrackBack(0) | 現代戦のこと

2019年03月27日

どうなったのか? 北朝鮮小型船 (上)


昨年末に生起した韓国駆逐艦 「クァンゲト・デワン」 による哨戒中の海自 P-1 に対する FC レーダー照射事件に関連して、いささか旧聞に属する事ではありますが、とは言え韓国側はもちろんのこと、防衛省・海上自衛隊側からも全く出てこず、しかも日本政府やマスコミも取り上げない大きな問題が残され、いまだにそのままになっていることがあります。

それは、あの事件の後、肝心な北朝鮮小型船はどうなったのか? という事です。

確かに、他国の航空機に対して (それも我が国の EEZ 内において) FC レーダーを照射するなどは言語道断のことであり、しかもそれに対する韓国の反応、対応は異常と言えるものですが、それはそれとして、その一方で、我が国の安全保障にとって極めて重要なこの問題が言及されないのは極めておかしなことと言えるのですが、さて ?


ご承知のとおり、今年1月21日に防衛省は本事案について 「最終見解」 なるものを公表しました。 これについての私の所見は、既に Facebook の計8回の連載も含めて何度も、そして海人社編集部さんの求めに応じて 『世界の艦船』 4月号の記事でも述べてきたところです。

SoW_No897_cover_s.jpg


その 論点は2つ です。

1つ目 が当然ながら FC レーダー照射事件そのものについてで、結果として、防衛省が公表したものは 当該時点における 「最終見解」 としては何の意味も価値もない もの、ということです。

内容は単なる事件の経過概要の説明だけに過ぎず、もしこれが昨年末に公開した P-1 が撮影した映像と機内交話音声を編集したものと同時であったならば、その補足説明としてそれなりの意味はあったでしょう。

しかも最終見解で一緒に公開された2種類のレーダーの可聴音データも、海自OBがマスコミで言ったような 「聞く人が聞けば分かる」 というのは、単に2つの形式の違いが分かる、というだけのことで、決してこれだけをもってこの音源が当該 FC レーダーのものであるなどと分析できるものではありません。

これを要するに、「最終見解」 として示すべきは

間違いなく、昨年12月20日のあの時に、当該 P-1 が韓国海軍駆逐艦 「クァンゲト・デワン」 から STIR-180 の FC レーダー波を照射された

という確たる証拠でなければならなかった のです。

もちろん、この 「最終見解」 の時点をもって韓国との実務者協議を打ち切るというのは、それでよいでしょう。

韓国政府、国防部は勿論、マスコミや国民の対応振りは言語道断であり、実務者協議も予想通り展開で (と言うより、いとも簡単に前言を翻して嘘に嘘を重ねる、更には逆に威嚇飛行されたと言って謝罪を要求するなど、あまりにも酷いですが)、やっても無駄であると初めから私も主張した通りとなりました。

確かにここで協議を打ち切るとしたのは、世論及び国際社会に対して韓国が常識外れのまともに相手に出来ない国家、国民であることをハッキリさせたことでは肯定できます。

しかし問題なのは、協議打ち切りと同時に、この事件そのものについても終わりにしようとしていることです。 日本としては、国際社会に対し更なる理解を得るよう努力を継続するべきですが、それが見えません。

当該事件は国際常識を外れ、明確に規定されたCUESに違反する “武力行使” であり、当該 P-1 とその搭乗員にとっては危険極まりないものであることは間違いありません。

がしかし忘れてはならないのは、海自でもどの国の軍でも、平時の監視飛行においてはこの様な突発的事態があり得ない訳ではない、ということです。 それが “任務” であり “遊覧飛行” では無い のですから。


そして もう一つの論点 は、我が国の安全保障上からは当該照射事件そのものよりももっと重要なことで、何故かこれまでの段階で全く出てこないことがある、ということです。

いや、現在に至るままの状況では、むしろ防衛省・海上自衛隊は 「最終見解」 の公表をもって実務者協議協議を打ち切るとすると共に、本事件そのものについても終わりとし、その 肝心なことを有耶無耶にしようとしているとしか 見えません。

まさに “看過できない” ことであるといえます。

(続く)

posted by 桜と錨 at 18:31| Comment(0) | TrackBack(0) | 現代戦のこと

どうなったのか? 北朝鮮小型船 (下)


韓国海軍の駆逐艦 「クァンゲト・デワン」 が哨戒中の海自 P-1 に対して、あろうことか FC レーダーを照射したこと、及びその指摘に対する韓国の反応、対応振りは常軌を逸したとんでもないこと、ではあります。

がしかし、その事以上に、我が国の安全保障にとって重要であるのは、我が国 EEZ 内のあの海域で韓国艦艇2隻と北朝鮮小型船が何をしていたのか、ということの解明 でしょう。

韓国側の主張は遭難した北朝鮮小型船に対する “人道的” 救助活動であったと言うものです。 実際のところ、確かに当該小型船が故障、あるいは燃料切れなどによる航行不能の状態で “あったのかも” しれません。

しかしながら、この小型船が “単なる一般漁船ではない” ことは P-1 が撮影した現場の状況からも一目瞭然でしょう。

NK_Small_Boat_07_mod.jpg
( 昨年12月28日防衛省公開の映像より )

ではその小型船は一体どの様な船で、元々何をしていたのか?

それを 解明する重要なポイントの一つが、あの照射事件の後の韓国艦艇2隻と北朝鮮小型船の動向 でしょう。 それは一体どうだったのか?

韓国側の報道では、韓国艦艇は現場において小型船から生存者3名と遺体1体を収容したとし、そして2日後には早くも板門店においてそれらを北朝鮮側に引き渡したとしています。

( 何とも手際の良いことで、もし本当であるならば、生存者の健康状況などは十分にチェックせず、また遭難に至る状況なども十分に聴取しなかったということです。 そして海難救助では考えられない、夜間に海に落ちたかも知れない乗組員やまだ浮いている可能性もある遺体の捜索などは全くせずに。)

その一方で、当該北朝鮮小型船そのものについてのその後は、次の4つのうちのいずれか以外には考えられないでしょう。

  1.そのまま無人でやりっ放した。
  2.その場で海没処分とした。
  3.韓国艦艇のどちらかが揚収又は曳航して (韓国又は北朝鮮指定の海域まで)
   運んだ。
  4.他にまだ生存者が何名かおり、そのまま解放して北朝鮮又は元の任務へ向か
   わせた。

NK_Small_Boat_08_mod.jpg
( 韓国反論映像より )

当然、当該 P-1 は距離を取りつつこれの監視を継続していたでしょうし、またそのための能力も十分備わっています。 そして上級司令部は状況を把握していたはずですので、監視の応援又は交代の哨戒機を出すなどしていた “はず” です。

では、北朝鮮小型船のその後は上記の4つのうちのどれであったのか? そして、何故それがいまだに公表もされず、説明もないのでしょうか?

このことは極めておかしく、かつ不自然なことと思うのは私だけでしょうか?

まさかではありますが、もしかすると当該 P-1 は FC レーダーの照射を受けて 「大変だ、大変だ」 と言って逃げ帰り、上級司令部もその後の対応は何もしていなかったのでしょうか?

万が一そうであるならば、海自は 本来の任務を放棄した “大失態” であると言わざるを得ないことになりますが、ただ公表されていないだけで、実際はキチンと実施されていたはず、とは思います ・・・・

では 何故この様な重要なことが防衛省・海上自衛隊からも、そして政府からも、いまだに説明がなされない のでしょうか?

このことをキチンと公表することは、我が国の安全保障についての国民に対する義務であり、責任である と言えます。

“看過できない” という言葉は、本来この様なことについて使うべきものですがねえ (^_^;

そして、マスコミも何故この我が国の安全保障にとって重要なことに繋がる本件を言わないのでしょうか? 不思議なことです。

(本項終わり)

posted by 桜と錨 at 20:51| Comment(0) | TrackBack(0) | 現代戦のこと

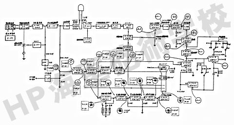
2019年03月31日

海自のシステム艦第1号 (1)


一般に “国産初のシステム艦” と言われる 「はつゆき」 型ですが (実態は既にお話ししたように違うのですが)、その国産の前の “海上自衛隊初のシステム艦” と呼ばれるのが今はなき 「たちかぜ」 (DDG-168) であり、姉妹艦の 「あさかぜ」 (DDG-169)です。

DDG-168_photo_01_m.jpg
( 公試運転における 「たちかぜ」 )

この 「たちかぜ」 型2隻が就役当初に装備したのが WES と名付けられた米海軍製のデジタル・コンピューター・システムでした。

これはターター・ウェポン・システム (Tartar Weapon System)、あるいは単にターター・システム (Tartar System) と呼ばれるものの指揮管制を掌るメインのシステムです。

(注1) : ターター・ミサイル・システム と言った場合は、ミサイル、発射機 Mk-13、射撃指揮装置 Mk-74 及びそのコンピューターである Mk-152 を中心にその関連・付属機器などを合わせたもののことで、ターター・ウェポン・システム というと、これに WDS 、三次元レーダーなどを組み合わせたものの総称になります。

Tartar_MSL_Sys_config_01_m.jpg
( ターター・ミサイル・システムの構成図 )

WEP_SYS_Cofig_01_m.jpg
( ターター・ウェポン・システムの構成略図 )

(注2) : ターター ( 及びタロス、テリアの “3T” ) ミサイル・システムの詳細についてはまた別にご紹介する機会もあろうかと思いますので、ここでは省略いたします。

さてその WES、Weapon Entry System の略で、開発を行った米国 RCA 社によって名付けられたものですが、これ、その名のとおり、正確に言えば現在の艦艇戦闘指揮システム (CDS、Combat Direction System) やそれ以前では米海軍で NTDS (Naval Tactical Data System) と呼ばれたような、いわゆる 艦艇戦闘情報処理システム ではなく、ターター・システムの WDS (Weapon Direction System) と言われるものと同じ 武器管制装置の一種 なのです。

では何故この武器管制装置である WES を搭載した 「たちかぜ」 型を海上自衛隊はわざわざ “システム艦” と呼んだのでしょうか?

これにはちゃんとした訳があったのですが、実は海上自衛隊の者でさえその多くはこれの真意を正しく理解できず (理解せず)、そしてそのまま今日までズルズルと来ているのが実態と言えます。

そのことを今回少しお話ししたいと思います。

(注) : 海上自衛隊には “システム艦” という用語の定義そのものはありませんが、艦艇戦闘指揮システム (CDS、Combat Direction System) を搭載した艦艇を一般的にそのように呼んできております。

その CDS の定義ですが、例えば 『海上自衛隊電子計算機情報処理用語集』 では次のとおりとされています。

CDS_Def_01_m.JPG

まあ、実に大ざっぱな定義ですので、これを広義に解釈すればデジタル・コンピューターを使用するシステムを搭載すれば何でもかんでも “システム艦” と言い得ることになります。

実際、海上自衛隊はそれで通してきたのですが。


(この項続く)
-――――――――――――――――――――

次 : 海自のシステム艦第1号 (2)

posted by 桜と錨 at 18:47| Comment(0) | TrackBack(0) | 現代戦のこと

2019年04月01日

海自のシステム艦第1号 (2)


海上自衛隊は、当時米海軍の作戦部長であったアーレイ・バーク大将直々の配慮を受けて、第1次防衛力整備計画 (一次防、昭和33〜35年度) における部隊防空能力向上のために、ミサイル駆逐艦 「チャールス・F・アダムス」 (DDG-2 Charles F. Adams) 級をモデル・シップ (正確には後期型の DDG-15 Berkeley) として、米海軍が “3T” システムの最後として開発した最新鋭のターター・システムを搭載するミサイル護衛艦を昭和35年度予算で建造 (35DDG) することとなり、これが 「あまつかぜ」 (DDG-163) となりましました。

DDG-2_photo_01_m.jpg
( 「あまつかぜ」 のモデル・シップとなった米海軍の 「チャールス・F・アダムス」 )

しかしながら、確かにターター・システムは、それまでに海上自衛隊が導入し得た第二次大戦の中古の様な装備に比べれば格段に素晴らしいものでしたが、その反面大変に高価でもあるため、米軍のモデル・シップに比して船体を小さくしたり (それでも当初案の 2600 トンではとても足りなくて急遽 3000 トンに増やしたのですが)、予定する兵装の一部を後日装備やスペックダウンするなどして建造予算を捻出せざるを得ませんでした。

DDG-163_photo_01_m.jpg
( 公試運転中の 「あまつかぜ」 )

このため、当時の海上自衛隊の乏しい予算の中では国産艦艇の隻数確保が優先されたため、「あまつかぜ」 に続く2隻目のミサイル護衛艦の建造は後回しとされてきました。

その海上自衛隊が何とか次のミサイル護衛艦建造の予算を獲得できる目処がついたのは、「あまつかぜ」 から実に11年後の、第三次防衛力整備計画 (三次防、昭和42〜46年度) の最終年度の事となったのです。 これが 「たちかぜ」 型3隻 (当初計画) です。

そしてまず昭和46年度計画で1番艦 「たちかぜ」 (46DDG) の予算成立に伴い、ターター・システム一式を FMS (Foreign Military Sales、対外有償軍事援助) 契約により米海軍から購入しようとしたのですが、「あまつかぜ」 が手本とした 「チャールス・F・アダムス」 級の武器管制装置 (WDS Mk-4) はリレー式計算機を使用したアナログのシステムで既に旧式化していたため、米海軍でもこれの更新をどうするかを検討している最中でした。

WDS_Mk4_Illust_01_m.jpg
( WDS Mk-4 の構成機器図、説明のためのもので実艦での配置は異なります )

WDS_Mk4_photo_01_m_mod.jpg
( 実艦装備例 左から TSTC、WAC、WCP、DAC の各コンソール )

そこで米海軍がこの WDS Mk-4 の代わりのものを米海軍のシステム開発に関わっている RCA 社に検討させた結果、同社から提案のあったのが同社がシステム・デザインを手掛ける NTDS のハード及びソフト技術を応用したシステムでした。

この案は直ちに海上自衛隊の受け入れるところとなり (というより他の代案があるわけもなく、拒否する理由がないので)、米海軍の監督の下、プライム・コントラクターとしてシステム全体を RCA 社が、デジタル・コンピューターのソフトウェアをスペリー・ユニバック社 (Sperry-UNIVAC) が担当して開発が行われる事となりました。

WES_Brief_cover_s.JPG
( RCA 社作成の資料をもとに邦訳した WES の教育用資料の一つ )

そして米海軍のアドバイス (提案というより、強い要求) により、海自に納入後のソフトウェアの維持管理と教育訓練用を兼ねたテストサイトが横須賀船越のプログラム業務隊 (PGC) に作られることとなり、これの完成を待ってシステムの開発は米国から当該テストサイトに移されて継続されたのです。

このため、ソフトウェアの完成・引渡しまでの間、米側のエンジニアやプログラマー達がここに常駐して作業を行いました。

一方の海自側では、米国での開発が始まる前から海幕の CCS 幹事室で将来の情報システムについて研究を行なっていたメンバーを中心にしたチームを米国に送り込んで、米海軍の最新のシステムを研修させたのです。

このメンバーは WES の開発が始まるとこれの研究に取組み、次いで海自 PGC のテストサイトでの作業に移行すると、今度は領収後の自前の維持管理要員の育成を担当しました。

特に、プログラム2科長の大熊康之3佐 (当時) を長とするソフトウェア要員の教育訓練はその中心となり、これは後に海自内でも通称 「大熊学校」 として知れ渡ることになりました。

そして PGC のプログラム2科は、次第に海上自衛隊におけるデジタル・コンピュータを利用する艦艇戦闘情報処理システムについて研究・開発を担当するシンクタンク的存在となっていったのです。

(この項 続く)
-――――――――――――――――――――

前 : 海自のシステム艦第1号 (1)

次 : 海自のシステム艦第1号 (3)

posted by 桜と錨 at 19:44| Comment(0) | TrackBack(0) | 現代戦のこと

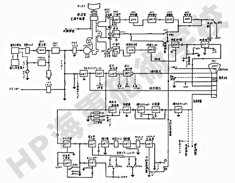
2019年04月02日

海自のシステム艦第1号 (3)


前述の通り、「たちかぜ」 型に搭載した WES は 「あまつかぜ」 に搭載した古いリレー方式のアナログ計算機を使用した WDS を、米海軍が 「たちかぜ」 型のために NTDS の技術を応用して開発したデジタル・コンピューター・システムで置き換えるものでした。

(注) : 正確にいうとシステム・デザインは先のとおり米海軍と言うよりその下請けの RCA 社です。

DDG-168_Wep_Sys_01_m.jpg
( RCA 社作成の資料をもとにした概略の構成図)

そしてその WES ですが、メインは当時米海軍の NTDS で広く使われていた標準のデジタル・コンピューターである CP-642B が1台 (たった)、NTDS の汎用コンソール (操作卓) OJ-194 が6台を中心とするものでした。

WES_Config_01_m.jpg
( RCA 社作成の資料をもとにした概略の構成図)

(注) : 48DDG たる 「あさかぜ」 にはこれに更に司令部用として大型の OSC (Operation Summary Console) OJ-197 1台が追加され、また三次元レーダー用の HT/SZ (Height/Size) コンソールが汎用の OJ-194 に変更されました。

46-48DDG_CIC_Layout_01_m_mod.jpg
( 「たちかぜ」 型の CIC レイアウト 右が艦首方向 )

OSC_01_m_.jpg
( 右が OJ-197 OSC、左の3台が OJ-194 米艦での写真より )

その CP-642B というコンピューターは、デジタルとは言ってもまだ 「コア・メモリ」 と呼ばれるものを使った30ビット、64Kワードのもので、計算能力だけを取り上げるならばそれこそファミコンにも及ばないものでした。

CP-642B_Front_01_m_mod.jpg
( CP-642B のキャビネット )

今から考えると、これたった1台でよくあれだけのシステムを動かしていたな、と (^_^;

したがってWES は、米海軍の NTDS 技術を応用したといってもその NTDS の簡易版でもなければ、ましてや CP-642B がたった1台のシステムですから、データ・リンクの Link-11 機能が入るような余地があるはずも無かったのです。

(注) : ネットや出版物などで、WES 導入時には Link-11 はまだ日本にリリースされなかったとしているものがありますが、これは誤りで、海自から要求もしていませんし、ましてや古い WDS の単なる置き換えでしかない WES について米側からの提案もあるわけがありません。 そもそもメインのコンピューターは CP-642B がたった1台のシステムなのですから。

その証拠に、ほぼ同時期であったといえる同じく米海軍が開発した 50・51DDH のシステム TDPS (Tactical Data Processing System、OYQ-3) は、米海軍の DD-963 スプルーアンス 級の CDS (最新の UYK-7 3台という大きなシステム) を参考にしたものですが、ターターや短 SAM を管制するわけでも無いのに CP-642B 2台となり、しかも当然の如くすんなりと Link-11 が導入されたのです。


そして捜索用レーダーによる目標の探知及び追尾は、 ADT (Air-target Detector & Tracker、対空目標探知追尾員) と SDT (Surface-target Detector & Tracker、水上目標探知追尾員) 各1名がそれぞれコンソールの PPI 上で、レーダー表示を見ながら目標の位置データを手動入力・更新していくもので、これを TK SUP (Track Supervisor) が監督する方式を採っています。

この手動入力方式そのものは、アナログ式の WDS で2台の TSTC (Target Selection & Tracking Console) で行っていたものとそれ程変わるわけではありません。

WDS_TSTC_01_m_mod.jpg
( WDS の TSTC とその目標データ入力要領 )

つまり、目標情報の精度はこの ADT と SDT の二人と、それを監督する TK SUP の技量にかかっていた訳ですが、それでもこれら全てを手動で行うには限界、特に目標数に、があることはお判りいただけるかと。

これは米海軍の当時の NTDS でも同じ方式で、このため空母などの大型艦のシステムでは倍の6名がそれぞれのコンソールで分担して行っていました。

CV_NTDS_consoke_mod.jpg
( 当時の米空母における NTDS のコンソール例 )

しかしながら、既にお話ししたことのあるNWC (Naval Weapons Center、海軍武器研究所) での研究による結論でも示されたように、これでは現代戦にはとても対応できないことは明らかで、今後は三次元レーダーも含む全ての捜索用レーダーは目標の自動探知・自動追尾とするべきであるとされました。

これにより、米海軍ではその対策の手始めとして、まず大型艦用の三次元レーダーである AN/SPS-48A の受信データをディジタル処理して、これによる目標の自動探知・自動追尾を可能にした -48C を開発し、既存の -48A をこれと換装することから始めたのです。

(この項 続く)
-――――――――――――――――――――

前 : 海自のシステム艦第1号 (2)

次 : 海自のシステム艦第1号 (4)

posted by 桜と錨 at 20:26| Comment(0) | TrackBack(0) | 現代戦のこと

2019年04月03日

海自のシステム艦第1号 (4)


前述のとおり、WES はデジタル・コンピューターを使用し、NTDS の技術を応用したものではありますが、実態は新型の武器管制装置の一種であったわけです。

しかしながら、当然そこには当時現用の NTDS に関する考え方 (フィロソフィー)、システム開発手法、ソフトウェアのアルゴリズムなど が盛り込まれており、これらを WES そのもののと一緒に米海軍から導入することができたのです。

海上自衛隊にとっては WES は一つの装置ではありますが、そのことよりむしろ これらの有形無形のものこそがその導入の最大の成果 であり、今後の艦艇情報処理システムのあり方を示す羅針盤となるものでした。 (と言うより、なる “はず” でした 。)

つまり、「たちかぜ」 型を海自の “システム艦” 第1号と呼ぶ本当の意味と意義はここにあった のであり、当時の PGC の 「大熊学校」 で教育を受けた者達はこれらのことを徹底的に教え込まれたのです。

ところが、海幕に勤務する者や、この大熊学校でシステムというものの本質を学ばなかった者、学んでもそのことを理解できなかった者達には、結局のところ WES は一つの装置としての見かけの姿でしか判らなかったと言えます。 いや、判らなかったというより、制服を着た能吏達にとっては必要なかったと言うべきでしょう。

このため、折角これらの重要なことを導入し得たにもかかわらず、単なる装置としてしか見なかった結果の典型例として、WES を真似して国産開発したとする先の 「はつゆき」 型システムの OYQ-5 と、それに続く DD のシステムとなって現れてしまったわけです。


更には、「たちかぜ」 型3番艦として予定されていた 50DDG は、予算の関係で更に3年遅れて 53DDG の 「さわかぜ」 となったのですが、当初海幕は何も考えることなく 「たちかぜ」 型の WES をそのまま装備することで計画しました。

ところが、これに驚いたのが米海軍です。 海自は一体何を考えとるのか、と。

米海軍では海自の WES の開発成功を見て、これを参考にして DDG-2 級の古い WDS Mk-4 を更新するための JPTDS (Junior Participating Tactical Data System) を開発しました。

(注) : 一般には海自の WES はこの DDG-2 用の JPTDS を参考にしたと流布されるものがありますが、既にお話ししたことがありますように、これは誤りで逆です。

JPTDS はその名が示すように、単なる WDS の更新ではなく、初めからミサイル駆逐艦用の簡易型 NTDS として計画・開発されており、メインのコンピューターには最新の UYK-7 を2台、そして実際の装備は少し遅れましたが データ・リンクの Link-11 の機能を盛り込んだものです。 このためもあって、JPTDS は後に NTDS (DDG-2) と改称されることになります。

UYK-7_Front_01_m.jpg
( UYK-7 2基 (2ベイ) タイプ 「さわかぜ」 はこれの1基タイプ )

そして何と言っても、この DDG-2 クラスの近代化計画において、ターター・システムについては WDS のJPTDS への換装だけではなく、三次元レーダーが SPS-52B からデジタル化された -52C へ、ミサイル射撃指揮装置の Mk-74 や ミサイル発射機の Mk-13 もデジタル化されたもの、つまり デジタル・ターター・システム (一般に、「ターターD」 と呼ばれます) に更新されることになっていたのです。

特にこの時点で注目すべきは、先の SPS-48C に続き 改良された SPS-52C によるデジタル化された信号情報を用いて、そして DDG-2 クラスの近代化のために開発された二次元の対空及び水上レーダーのアナログ信号をデジタル化する RVP (Radar Video Processor) により、全ての捜索用レーダーの目標の自動探知・自動追尾が可能となり、かつ BVP (Beacon Video Processor) により IFF の Mode-U 信号を使用した目標の自動追尾及び自動味方識別も可能 となっていました。

そして、このSPS-52C、RVP 及び BVP による目標の自動探知・自動追尾の機能をコントロールするために AN/SYS-1 というシステムが開発され、これによる目標データを JPTDS のコンピューターに取り込めるようにしたのです。

SYS-1_block_01_m.jpg
( AN/SYS-( ) の構成概念図 )

そこで、米海軍は海自に対して “提供するミサイル・システムは新しいデジタル化したものになるのだから、WES ではなく JPTDS を真似したシステムにすれば良いだろう、コストもそれ程増えないのだから” と言ってきたのです。

海自としてはその必要性の有無を検討するまでもなく、ターター・システム一式を FMS で調達する以上米海軍の言うことには当然 “No” と言える訳はありませんから、目出度く 53DDG は WES ではなく、JPTDS の技術を利用した新しいシステム となり、もちろんコンピューターは新型の UYK-7 となって余裕がありますので、Link-11 機能も装備 されました。 これが「さわかぜ」の OYQ-4 となって実現しました。

ただし、折角米海軍からリコメンドがあったにも関わらず、目標の自動探知・自動追尾は三次元レーダーの SPS-52C の機能のみ となり、RVP による他の対空・水上捜索用レーダーの機能は採用されないこととされてしまいました。 米海軍は海自の OPS-11C や OPS-28 でも問題なく可能だと言っているのに、です。 ( 理由はおそらく、わずかな予算の増加をケチるためではないかと )

RVP_DDG2310_p1_m_mod.jpg

RVP_DDG2310_p2_m_mod.jpg
( 米海軍による海自への RVP 採用のリコメンド文書の一部抜粋 )

このため、この捜索用レーダーと CDS とを繋ぐ機器は、米海軍は DDG-2 近代化用と同タイプの AN/SYS-1 を考えていたのですが、わざわざ海自向けの JADT (Japanese Auto Detection and Tracking) という機能限定版のものを作ることになったのです。

もう何とも勿体ないというか、情けない話しで ・・・・ (^_^;

(この項 続く)
-――――――――――――――――――――

前 : 海自のシステム艦第1号 (3)

次 : 海自のシステム艦第1号 (5/終)

posted by 桜と錨 at 15:20| Comment(2) | TrackBack(0) | 現代戦のこと